溶液标签
实验室溶液标签一般需要写明五项内容:名称、浓度、配制人、配制日期、有效期。以下举例说明
例1:氟化物标准储备液 [ρ(F-)]=1mg/L]
例2:草酸钠标准使用液[C(1/2Na2C2O4)=0.0100mol/L]

![]()
例3:混标

![]()
对于所含物质较多的混标,建议在一旁多贴一个标签说明
例1:酚酞指示剂:由50mg酚酞+50mL乙醇+50mL纯水配制而成

![]()
例2:酚红指示剂:由50mg酚酞+50mL乙醇+50mL纯水配制而成
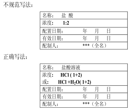
例3:按体积比配制的酸液:1份盐酸+2份纯水配制的盐酸
例4:1份盐酸+1.5份硝酸+5份纯水配制的盐酸溶液
评论
加载更多