扫描电子显微镜(Scanning Electron Microscope,SEM)于1965年左右发明,其利用二次电子、背散射电子及特征X射线等信号来观察、分析样品表面的形态、特征,是介于透射电镜和光学显微镜之间的一种微观形貌观察方法。
扫描电镜可配备X射线能谱仪(EDS)、X射线波谱仪(WDS)和电子背散射衍射(EBSD)等附件,使分析显微组织、织构、取向差和微区成分同时进行。还可在样品室内配备加热、拉伸测试等装置,从而对样品进行原位、动态分析。
SEM如今在材料学、物理学、化学、生物学、考古学、地矿学以及微电子工业等领域有广泛的应用。
图1 SEM工作示意图02
扫描电镜是利用电子枪发射电子束,高能入射电子轰击样品表面时,被激发的区域将产生二次电子、背散射电子、吸收电子、 俄歇电子、阴极荧光和特征 X射线等信号,通过对这些信号的接受、放大和显示成像,可观察到样品表面的特征,从而分析样品表面的形貌、结构、成分等。扫描电镜主要利用二次电子、背散射电子和特征X射线等信号对样品表面的特征进行分析。
图2 电子发射示意图
二次电子:
二次电子指被入射电子激发出来的试样原子中的外层电子。二次电子能量很低,只有靠近试样表面几纳米深度内的电子才能逸出表面。因此,它对试样表面的状态非常敏感,主要用于扫描电镜中试样表面形貌的观察。
图3 二次电子探测示意图
背散射电子:
背散射电子是入射电子在试样中经散射(弹性和非弹性散射)后,再次逸出样品表面的高能电子,其能量接近于入射电子能量。背散射电子的产额随着试样原子序数的增大而增加,所以背散射电子信号的强度与样品的化学组成有关,能显示原子序数衬度,可用于对试样成分作定性的分析。
图4 背散射电子探测示意图
二次电子像和背散射电子像的区别:
二次电子成像是用被入射电子轰击出的样品外层电子成像,能量低,只能表征样品表面,分辨率较高。
背散射电子是入射电子被样品散射然后成像,能量很高,接近入射电子。可以反应样品内部比较深的信息,分辨率相对较低。
图5 二次电子扫描成像示意图
特征X射线:
入射电子将试样原子内层电子激发后,外层电子向内层电子跃迁时产生的具有特殊能量的电磁辐射。特征X射线的能量为原子两壳层的能量差,而元素原子的各个电子能级能量为确定值,因此特征X射线可用于分析试样的组成成分。
表1 各种信号的用途、分析深度及探测限
【注】由于其他电子的分辨率都没有二次电子的分辨率高,所以扫描电镜的分辨率即为二次电子的分辨率。
扫描电镜主要由电子光学系统,信号收集及处理系统,信号显示及记录系统,真空系统,计算机控制系统等部分组成。
电子光学系统由电子枪、电磁透镜、扫描线圈、试样室等部件组成。电子枪发射的高能电子束经两级电磁透镜聚焦后汇聚成一个几纳米大小的束斑,电子束在扫描线圈的作用下发生偏转并在试样表面和屏幕上做同步扫描,激发出试样表面的多种信号。
电子束与样品室中的样品表面相互作用激发的二次电子,背散射电子首先打到二次电子探测器和背散射电子探测器中的闪烁体上产生光,再经光电倍增管将光信号转换为电信号,进一步经前置放大器成为有足够功率的输出信号,最终在阴极射线管(CRT)上成放大像。
X射线信号由样品室中SEM配备的能谱仪(或波谱仪)附件收集,经锂漂移硅探测器、前置放大器和主放大器以及脉冲处理器在显示器中展示X射线能谱图(或波谱图),用于元素的定性和定量分析。
1.观察纳米材料:SEM具有很高的分辨率,可观察组成材料的颗粒或微晶尺寸(0.1-100 nm)。
2.分析材料断口:SEM景深大,图像富立体感,具有三维形态,能够从断口形貌呈现材料断裂的本质及断裂机理,适合在材料断裂原因、事故原因、工艺合理性等方面进行分析。
3.观察大试样:它能够直接观察直径100mm,高50mm,或更大尺寸的试样,对试样的形状没有任何限制,粗糙表面也能观察,这便免除了制备样品的麻烦,而且能真实观察试样本身物质成分不同的衬度(背散射电子像)。
4.观察厚试样:其在观察厚试样时,能得到高的分辨率和最真实的形貌。
5.观察试样的各个区域的细节:试样在样品室中可动的范围非常大,可以在三度空间内以6个自由度运动(即三度空间平移、三度空间旋转),可方便观察不规则试样的各个区域。
6.在大视场、低放大倍数下观察样品,用扫描电镜观察试样的视场大:大视场、低倍数观察样品的形貌对有些领域是很必要的,如刑事侦察和考古。
7.进行从高倍到低倍的连续观察:扫描电镜的放大倍数范围很宽(从5到20万倍连续可调),且一次聚焦好后即可从高倍到低倍、从低倍到高倍连续观察,不用重新聚焦,这对进行分析特别方便。
8.观察生物试样:由于电子照射面发生试样的损伤和污染程度很小,这一点对观察一些生物试样特别重要。
9.进行动态观察:如果在样品室内装有加热、冷却、弯曲、拉伸和离子刻蚀等附件,则可以观察相变、断裂等动态的变化过程,即原位分析。
10.从试样表面形貌获取多方面材料信息:SEM结合能谱可以测定金属及合金中各种元素的偏析,对金属间化合物相、碳化物相、氮化物相及铌化物相等进行观察和成分鉴定;对钢铁组织中晶界处夹杂物或第二相观察以及成分鉴定;对零部件的失效分析(如畸变失效,断裂失效,磨损失效和腐蚀失效)以及失效件表面的析出物和腐蚀产物的鉴别。对于抛光后的金属样品,扫描电镜结合EBSD可进一步对晶体结构、织构、取向差等进行解析。
⑴ 二次电子像分析
下图为经抛光腐蚀之后金相样品的二次电子像,可看出SEM图像的分辨率及立体感均远好于光学金相照片。光镜下显示不清的细节在电镜中可清晰地呈现,如珠光体中的Fe3C与铁素体的层片形态及回火组织中析出的细小碳化物等。
图7 珠光体组织 析出碳化物
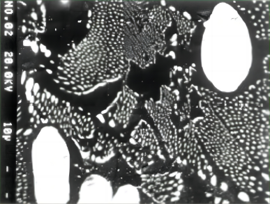
⑵ 背散射电子像分析
下图为ZrO2-Al2O3-SiO2系耐火材料的背散射电子像。由于ZrO2相平均原子序数远高于Al2O3相和SiO2相,所以图中白色相为斜错石,小的白色粒状斜错石与灰色莫来石混合区为莫来石-斜锆石共析体,基体灰色相为莫来石。
图8 ZrO2-Al2O3-SiO2系耐火材料的背散射电子成分像1000X
⑶ 断口分析
典型功能陶瓷沿晶断裂的二次电子像,断裂均沿晶界发生,有晶粒拔出现象,晶粒表面光滑,还可以看到明显的晶界相。
样品制备通常包括取样、清洗、粘样、镀膜处理等步骤。
⑴ 块状样品
清洁样品表面的油污、粉尘等污染物,如可用洗涤剂和有机溶剂进行超声清洗,防止污染物影响分析结果和污染样品室。
对于导电的块状样品,要求大小适合样品座尺寸,用导电胶粘在样品座上即可。对于块状非导电样品或者导电性差的样品,则需要先在其表面镀膜,增加样品的导电性,并可防止样品的热损伤。
⑵ 粉末样品
先在样品座上粘一层导电胶,然后将粉末均匀撒在导电胶上,并吹去未粘牢的粉末(如可用洗耳球)。也以将粉末溶解在合适的分散剂中(常用的分散剂有乙醇、丙酮、水和0.1%SDS),超声分散后,用吸管或移液枪滴加到硅片或者铜网上,烘干或晾干。导电类粉末可以直接进行扫描电镜观察,不导电的粉末样品需先喷金处理后再进行观察。
优 点
①有较高的放大倍数,通常在20-200000倍之间连续可调;
②有很大的景深,视野大,成像富有立体感,可直接观察各种试样凹凸不平表面的细微结构;
③试样制备简单、样品尺寸相对较大(通常样品室可容纳几十毫米的样品)、可测试的样品形式多(断口、块体、粉末等);
④可配备X射线能谱仪(EDS)、X射线波谱仪(WDS)和电子背散射衍射(EBSD)附件,使分析显微组织、织构、取向差和微区成分同时进行。
缺 点
①分辨率不及TEM和AFM(原子力显微镜),不能观察到物质的分子和原子像;
②试样需置于真空环境下观察,限制了样品的类型;
③只能观察样品表面形貌,表面以下结构不能探测;
④没有高度方向信息;
⑤不能观察液体样品。
材子考研
展源
何发
2026-03-24
2026-02-10
2026-03-24
2026-02-11
2026-03-03
2026-03-20
2026-02-28
2026年1月末,距离从霍尼韦尔正式分拆独立,并在纳斯达克挂牌上市将满百日时,全新的特种材料公司 Solstice Advanced Materials在上海举办了其独立运营后的首次中国媒体见面会。
作者:张明
评论
加载更多